DIRIS A-20
Многофункциональное устройство измерения и мониторинга рабочих характеристик - PMD
Измерение нескольких параметров

DIRIS A-20
Функция
DIRIS A-20 являются устройствами измерения и мониторинга рабочих характеристик, которые обеспечивают пользователю все возможности измерения, необходимые для успешного завершения энергоэффективных проектов и обеспечения гарантированного мониторинга распределения электроэнергии.
Вся эта информация может быть использована и проанализирована удаленно с помощью компьютерных программ энергоэффективности.
Преимущества
Простота в обращении
DIRIS A-20 удобен в использовании благодаря своему большому многофункциональному дисплею с подсветкой с 4 клавишами быстрого вызова.
Соответствует стандарту IEC 61557-12
Эталонный стандарт для устройств измерения и мониторинга рабочих характеристик (PMD) IEC 6155712 гарантирует высокие уровни производительности и удовлетворительные рабочие характеристики PMD в условиях окружающей среды, типичных для промышленной эксплуатации и применения в сфере обслуживания.
Обнаруживает погрешности проводки
DIRIS A-20 оснащен функцией коррекции ошибок подключения TC.
Функциональная схема

ПО для повышения
энергоэффективности
Настраиваемый
Дополнительные модули связи и ввода / вывода могут расширить базовую функциональную область данного изделия. DIRIS A-20, оснащенный дополнительными модулями, может обеспечить пользователю эксплуатационную гибкость и расширяемость на протяжении всего срока службы изделия.
Функции
Измерение нескольких параметров
- Токи
- мгновенный: I1, I2, I3, In
- макс. средний: I1, I2, I3, In - Напряжения и частота
- мгновенный: V1, V2, V3, U12, U23, U31, F - Мощность
- мгновенный: 3P, ∑P, 3Q, ∑Q, 3S, ∑S
- макс. средний: ∑P, ∑Q, ∑S - Коэффициент мощности
- мгновенный: 3PF, ∑PF
Снятие показаний
- Активная энергия +/- кВтч
- Реактивная энергия: +/- кВар·ч
- График: ⏰
Анализ гармонических искажений
- Суммарный коэффициент гармонических искажений (СКГИ) (порядок 51)
- Токи: СКГИ I1, СКГИ I2, СКГИ I3
- Фазное напряжение: СКГИ V1, СКГИ V2, СКГИ V3
Междуфазное напряжение: СКГИ U12, СКГИ U23, СКГИ U31
События
Аварийные сигналы по каждому электрическому параметру
Связь(1)
RS485 с протоколом MODBUS
Выход
- Управление оборудованием
- Отчет об аварийном сигнале
- Импульсный отчет
Вход
- Информационный отчет от сухого внешнего контакта
(1) Доступно в качестве опции (см. следующие страницы).
Передняя панель

- ЖК-дисплей с подсветкой
- Нажимная кнопка для токов (мгновенного и максимального), СКГИ токов и функции устранения ошибок подключения.
- Кнопочные выключатели для напряжений, частоты и СКГИ напряжений.
- Нажимная кнопка для мощности (мгновенной и максимальной) активной, реактивной и полезной, коэффициента мощности.
- Нажимная кнопка для источников энергии и счетчика таймера.
Корпус

| Тип | Подключаемый |
| Габаритные размеры Д x В x Г | 96 x 96 x 60 мм |
| Класс защиты корпуса | IP30 |
| Класс фронтальной защиты | IP52 |
| Тип дисплея | ЖК-дисплей с подсветкой |
| Тип клеммных колодок | Фиксированные или съемные |
| Секция для подключения напряжений и других клемм | 0,2...2,5 мм2 |
| Секция для подключения токов | 0,5...6 мм2 |
| Вес | 400 г |
Дополнительные вставные модули
DIRIS® A-20


1 выход
1 настраиваемый выход для:
- импульсов: с возможность настройки (тип, вес, продолжительность) на кВт·ч или кВар·ч.
- Мониторинг: 3I, In, 3V, 3U, F, ∑P, ∑Q, ∑S, ∑PFL/C, THD 3I, THD 3V, THD 3U и счетчик времени.
- Управление оборудованием

Связь
Канал RS485 с протоколом MODBUS (скорость до 38400 бод).

3 входа, 1 выход
3 настраиваемых входа для:
- Информационного отчета от внешнего контакта. 1 настраиваемый выход для:
- импульсов: с возможность настройки (тип, вес, продолжительность) на кВт·ч или кВар·ч.
- Мониторинг: 3I, In, 3V, 3U, F, ∑P, ∑Q, ∑S, ∑PFL/C, THD 3I, THD 3V, THD 3U и счетчик времени.
- Управление оборудованием
Вспомогательное оборудование
Трансформатор тока


Защита IP65

Электрические характеристики
| Измерение тока (истинное СКЗ) | |
| Посредством первичной обмотки трансформатора тока | 9 999 A |
| Посредством вторичной обмотки трансформатора тока | 5 A |
| Диапазон измерения | 0...11 кА |
| Входное потребление | 0,6 ВА |
| Период обновления измерения | 1 с |
| Точность | 0,2% |
| Постоянная перегрузка | 6 A |
| Периодическая перегрузка | 10 Iном за 1 сек. |
| Измерения напряжения (истинное СКЗ) | |
| Непосредственное измерение между фазами | 50...500 В пер. тока |
| Непосредственное измерение между фазой и нейтралью | 28...289 В пер. тока |
| Входное потребление | ≤ 0,1 ВА |
| Период обновления измерения | 1 с |
| Точность | 0,2% |
| Измерение мощности | |
| Период обновления измерения | 1 с |
| Точность | 0,5 % |
| Измерение частоты | |
| Диапазон измерения | 45...65 Гц |
| Период обновления измерения | 1 с |
| Точность | 0,1% |
| Точность энергии | |
| Активная (соответствует стандарту IEC 62053-22) | Класс 0.5 S |
| Реактивная (в соотв. со стандартом CEI 62053-23) | Класс 2 |
| Источник питания | |
| Переменное напряжение | 110...400 В пер. тока |
| Допуск по пер. току | ± 10% |
| Напряжение постоянного тока | 120...289 В пост. тока |
| Допуск по пост. току | ± 20% |
| Частота | 50 / 60 Гц |
| Потребление мощности | 10 ВА |
| Выход импульсных или аварийных сигналов | |
| Количество | 1 |
| Тип | 100 В пост. тока - 0,5 A - 10 ВА |
| Макс. количество операций | ≤ 108 |
| Входы | |
| Количество | 3 |
| Источник питания | 10...30 В пост. тока |
| Минимальная длительность сигнала | 10 мс |
| Минимальная пауза между 2 импульсами | 18 мс |
| Тип | Оптопары |
| Связь | |
| Канал связи | RS485 |
| Тип | 2 - 3 полудуплексных провода |
| Протокол | MODBUS® в режиме RTU |
| Скорость MODBUS® | 1400...38400 бод |
| Условия эксплуатации | |
| Диапазон рабочих температур | - 10...+ 55°C |
| Температура хранения | - 20...+ 85°C |
| Относительная влажность | 95% |
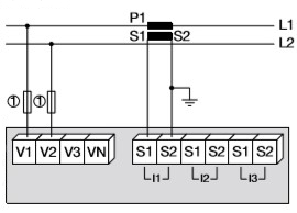
Клеммы

S1 - S2: токовые входы.
AUX: вспомогательный источник питания Us.
V1, V2, V3 & VN: входы напряжения.
Связь между модулями

Канал RS485.
R = 120 Ω: внутреннее сопротивление для канала RS485.
Модуль выходных или аварийных сигналов

18 - 19 : выход 1
Модуль с 3 входами, 1 выходом

Соединение
Низковольтная симметричная сеть
Рекомендация
- Для систем заземления IT оборудования рекомендуется, чтобы вторичная обмотка трансформатора тока не была подключена к заземлению.
- При отключении DIRIS вторичная обмотка каждого трансформатора тока должна быть замкнута накоротко. Данная операция может выполняться автоматически с помощью SOCOMEC PTI, который можно найти в каталоге SOCOMEC: проконсультируйтесь с нами.
3/4 провода с 1 ТТ

Решение 1CT снижает на 0,5% точность фазы, для которой ток выведен векторным расчетом.
1. Предохранители 0,5 А gG / 0,5 А класса CC.
Одна фаза

1. Предохранители 0,5 А gG / 0,5 А класса CC.
Две фазы

1. Предохранители 0,5 А gG / 0,5 А класса CC.
Низковольтная несимметричная сеть
3/4 провода с 3 ТТ

1. Предохранители 0,5 А gG / 0,5 А класса CC.
3 провода с 2 ТТ

Решение 2 ТТ снижает на 0,5% точность фазы, для которой ток выведен векторным расчетом.
1. Предохранители 0,5 А gG / 0,5 А класса CC.
3 провода с 2 ТТ

Решение 2 ТТ снижает на 0,5% точность фазы, для которой ток выведен векторным расчетом.
1. Предохранители 0,5 А gG / 0,5 А класса CC.
Дополнительная информация
Связь посредством канала RS485

Источник питания пер. и пост. тока

1. Предохранители 0,5 А gG / 0,5 А класса CC.
Коды изделий
| Базовое устройство Источник питания Us |
DIRIS A-20 Номер по каталогу |
|
| 110...400 В пер. тока / 120...350 В пост. тока | 4825 0402 | |
| Функции Дополнительные вставные модули |
Номер по каталогу | |
| Выход Вкл/Выкл | 4825 0080 | |
| Связь через RS485 MODBUS® | 4825 0082 | |
| 3 входа, 1 выход | 4825 0083 | |
| Вспомогательное оборудование Обозначение вспомогательного оборудования |
Заказывать в количестве, кратном | Номер по каталогу |
| Защита IP65 | 1 | 4825 0089 |
| Комплект для подключения под вырез 144 x 96 мм | 1 | 4825 0088 |
| Предохранители и автомат защиты входов напряжения (тип RM) 3 полюса | 4 | 5601 0018 |
| Предохранители и автомат защиты вспомогательного источника питания (тип RM) 1 полюс + нейтраль | 6 | 5601 0017 |
| Предохранители gG 10x38 0,5 A | 10 | 6012 0000 |
| Феррит для использования с модулями связи | 1 | 4899 0011 |
| Диапазон трансформаторов тока | 1 | См. "Датчики ТЕ" |
| Программное обеспечение, связанное с DIRIS | См. общий каталог | |
Expert Services
- Изучение, определение, консультирование, внедрение, техобслуживание и обучение ... Специалисты нашей «Экспертной службы» предоставляют полную поддержку в целях успешной реализации вашего проекта.




