SIRCO PV IEC 60947-3
Выключатель нагрузки для систем на фотоэлектрических элементах
от 100 до 3200 A, до 1500 В DC


Функция
SIRCO PV — управляемые вручную многополюсные выключатели нагрузки. Высокая коммутационная способность под нагрузкой до 1500 В DC.
Эти чрезвычайно износоустойчивые выключатели были протестированы и одобрены для использования в самых требовательных областях применения.
Они были разработаны и испытаны для всех типов применений: заземление, плавающее или биполярное напряжение.
Преимущества
Оптимизируйте свои инвестиции
- Благодаря уменьшенному количеству перемычек, вы можете сократить свои расходы и сэкономить время монтажа.
- 2-полюсное устройство SIRCO PV позволяет уменьшить нагрев и может быть установлено в корпусе меньшего размера.
Высококачественные материалы
SIRCO PV — чрезвычайно прочное устройство в раме из полиэстера, армированного стекловолокном.
Данный материал обеспечивает:
- высокую механическую прочность,
- устойчивость к колебаниям температуры (перепад температуры 130°C),
- высокую изоляционную способность (высокий показатель стойкости к пробою / испытано согласно стандарту ASTM D 2303).
Воспользуйтесь преимуществами инновационной конструкции
SIRCO PV может быть напрямую подключен к четырем независимым секциям фотоэлектрических панелей.
Таким образом, общая стоимость решения снижается по сравнению с использованием четырех различных выключателей.
Надежность и производительность
Наш ассортимент выключателей нагрузки SIRCO PV соответствует стандартам UL98B и IEC 60947-3.
SIRCO PV были протестированы на критические токи и при коротком замыкании 10 кА в течение 50 мс без специальной защиты. Поэтому можно выбрать тип защиты кабеля от скачков напряжения.
Типичная архитектура фотоэлектрической системы
Серия SIRCO PV обеспечивает безопасное отключение и изолирование на всех уровнях вашей фотоэлектрической установки.

Решения SOCOMEC
| УРОВЕНЬ УСТАНОВКИ | РЕШЕНИЯ ОТ SOCOMEC | |
| Шкаф сумматора мощности | ||
![]() |
![]() |
SIRCO PV 1 цепь до 500 A при 1500 В DC |
| Шкаф ресумматора мощности | ||
![]() |
![]() |
SIRCO PV 4 цепи до 500 A при 1000 В DC 2 цепи до 500 A при 1500 В DC |
| Инвертор | ||
![]() |
![]() |
SIRCO PV 1 цепь до 3200 A при 1000 В DC до 2000 A при 1500 В DC |
Коды изделий
1000 В DC - установка на монтажной панели
| Ток (A) | Размер корпуса | Число полюсов | Корпус выключателя | Ручка прямого управления | Выносная ручка | Штанга для выносной ручки | Количество, которое необходимо заказать, чтобы соединить 2 полюса последовательно |
| 1 фотоэлектрический контур | |||||||
| 100 A | B4 | 2 пол. | 26PV 2010 | Тип J1 Черная 1112 1111 Красная 1113 1111 |
Тип S2 (1) Черная IP55 1421 2111 Черная IP65 1423 2111 Красная IP65 1424 2111 |
200 мм 1400 1020 320 мм 1400 1032 400 мм 1400 1040 |
- |
| 160 A | B4 | 2 пол. | 26PV 2016 | ||||
| 250 A | B4 | 2 пол. | 26PV 2025 | ||||
| 315 A | B4 | 2 пол. | 26PV 2031 | ||||
| 400 A | B4 | 4 пол. | 26PV 4040 | 2x 2609 0025 |
|||
| 500 A | B4 | 4 пол. | 26PV 4050 | ||||
| 630 A | B5 | 4 пол. | 26PV 4063 | 1x 2609 0080 |
|||
| 800 A | B5 | 4 пол. | 26PV 4080 | ||||
| 1250 A | B6 | 4 пол. | 26PV 4120 | Тип C2 Черная 2799 7012 Красная 2799 7013 |
Тип S4 (1) Черная IP65 1443 3111 Красная IP65 1444 3111 |
200 мм 1401 1520 320 мм 1401 1532 400 мм 1401 1520 |
1x 2609 1100 |
| 2000 A | B7 | 4 пол. | 26PV 4200 | 2x 2609 1200 |
|||
| 3200 A | B8 | 4 пол. | Проконсультируйтесь с нами | Тип V1 Черная IP65 2799 7145 |
320 мм 2799 3018 450 мм 2799 3019 |
Проконсультируйтесь с нами | |
| 2 фотоэлектрических контура | |||||||
| 100 A | B4DS | 4 пол. | 26PV 5010 | Тип J2 Черная 1122 1111 Красная 1123 1111 |
Тип S2 (1) Черная IP55 1421 2111 Черная IP65 1423 2111 Красная IP65 1424 2111 |
200 мм 1400 1020 320 мм 1400 1032 400 мм 1400 1040 |
- |
| 160 A | B4DS | 4 пол. | 26PV 5016 | ||||
| 250 A | B4DS | 4 пол. | 26PV 5025 | ||||
| 315 A | B4DS | 4 пол. | 26PV 5031 | ||||
| 400 A | B5 | 4 пол. | 27PV 4032 | Тип J1 Черная 1112 1111 Красная 1113 1111 |
1x 2709 0045 |
||
| 500 A | B5 | 4 пол. | 27PV 4039 | ||||
| 630 A | B5DS | 8 пол. | 26PV 8063 | Тип J2 Черная 1122 1111 Красная 1123 1111 |
1x 2609 0080 |
||
| 800 A | B6DS | 8 пол. | 26PV 8080 | Тип C2 Черная 2799 7012 Красная 2799 7013 |
Тип V1 Черная IP65 2799 7145 |
320 мм 4199 3018 |
1x 2609 1100 |
| 1250 A | B6DS | 8 пол. | 26PV 8120 | ||||
| 2000 A | B7DS | 8 пол. | 26PV 8200 | 1x 2609 1200 |
|||
| 4 фотоэлектрических контура | |||||||
| 275 A | B5DS | 8 пол. | 27PV 8026 | Тип J2 Черная 1122 1111 Красная 1123 1111 |
Тип S2(1) Черная IP55 1421 2111 Черная IP65 1423 2111 Красная IP65 1424 2111 |
200 мм 1400 1020 320 мм 1400 1032 400 мм 1400 1040 |
4x 2709 0045 |
| 400 A | B5DS | 8 пол. | 27PV 8032 | ||||
| 500 A | B5DS | 8 пол. | 27PV 8039 | ||||
(1) Ручка с механизмом снятия блокировки.
1500 В DC - установка на монтажной панели
| Ток (A) | Размер корпуса | Число полюсов | Корпус выключателя | Ручка прямого управления | Выносная ручка | Штанга для выносной ручки | Количество, которое необходимо заказать, чтобы соединить 2 полюса последовательно |
| 1 фотоэлектрический контур | |||||||
| 275 A | B5 | 3 пол. | 27PV 3026 | Тип J2 Черная 1122 1111 Красная 1123 1111 |
Тип S2 (1) Черная IP55 1421 2111 Черная IP65 1423 2111 Красная IP65 1424 2111 |
200 мм 1400 1020 320 мм 1400 1032 400 мм 1400 1040 |
1x 2709 0027 |
| 400 A | B5 | 3 пол. | 27PV 3032 | 1x 2709 0045 |
|||
| 500 A | B5 | 3 пол. | 27PV 3039 | ||||
| 630 A | B5DS | 8 пол. | 26PV 8063 | 1x 2609 0080 |
|||
| 800 A | B6DS | 8 пол. | 26PV 8080 | Тип C2 Черная 2799 7012 Красная 2799 7013 |
Тип V1 Черная IP65 2799 7145 |
320 мм 4199 3018 |
1x 2609 1100 |
| 1250 A | B6DS | 8 пол. | 26PV 8120 | ||||
| 2000 A | B7DS | 8 пол. | 26PV 8200 | 1x 2609 1200 |
|||
| 2 фотоэлектрических контура | |||||||
| 275 A | B5DS | 6 пол. | 27PV 6026 | Тип J2 Черная 1122 1111 Красная 1123 1111 |
Тип S2 (1) Черная IP55 1421 2111 Черная IP65 1423 2111 Красная IP65 1424 2111 |
200 мм 1400 1020 320 мм 1400 1032 400 мм 1400 1040 |
1x 2709 0027 |
| 400 A | B5DS | 6 пол. | 27PV 6032 | 1x 2709 0045 |
|||
| 500 A | B5DS | 6 пол. | 27PV 6039 | ||||
(1) Ручка с механизмом снятия блокировки.
Аксессуары
Ручка прямого управления
| Размер корпуса | Тип ручки | Цвет ручки | Код изделия |
| B4 … B5 | J1 | Черная | 1112 1111 |
| B4 … B5 | J1 | Красная | 1113 1111 |
| B6 … B7 | C2 | Черная | 2799 7012 |
| B6 … B7 | C2 | Красная | 2799 7013 |
| B4DS … B5DS | J2 | Черная | 1122 1111 |
| B4DS … B5DS | J2 | Красная | 1123 1111 |
| B4DS … B7DS | C2 | Черная | 2799 7012 |
| B4DS … B7DS | C2 | Красная | 2799 7013 |

Ручка типа J1
Ручка типа C2
Ручка выносного управления с блокировкой двери
Использование
Ручки выносного управления с блокировкой двери включают декоративную рамку, являются запираемыми и должны использоваться с удлинительной штангой.
В шкафу сумматора мощности, расположенном рядом с секциями солнечных элементов или рядом с инвертором, мы рекомендуем использовать ручку выносного управления с блокировкой двери для безопасности.
Пример
Благодаря функции блокировки корпуса в положении «ВКЛ» оператор будет вынужден безопасным образом отключить и изолировать секции солнечных элементов перед проведением каких-либо работ.
Открыть дверцу, когда переключатель находится в положении «ВКЛ», можно только путем отключения функции блокировки с помощью специального инструмента (только для уполномоченных специалистов).
Функция блокировки восстанавливается при повторном закрытии дверцы.
Управление спереди
| Размер корпуса | Тип ручки | Цвет ручки | Класс защиты | Код изделия |
| B4 … B5 - B4DS | S2 | Черная | IP55 | 1421 2111 |
| B4 … B5 - B4DS | S2 | Черная | IP65 | 1423 2111 |
| B4 … B5 - B4DS | S2 | Красная | IP65 | 1424 2111 |
| B5DS - B6 … B7 | S4 | Черная | IP65 | 1443 3111 |
| B5DS - B6 … B7 | S4 | Красная | IP65 | 1444 3111 |
| B8 - B6DS - B7DS | V1 | Черная | IP65 | 2799 7145 |

Усиленная ручка типа S2

Ручка типа S4

Ручка типа V1
Штанга для выносной ручки
Использование
Стандартные значения длины:
- 200 мм,
- 320 мм,
- 400 мм.
Прочие значения длины:
Проконсультируйтесь с нами.
| Размер корпуса | Тип ручки | Размер Y (мм) | Длина (мм) | Код изделия |
| B4 | S2 | 150 - 295 | 200 | 1400 1020 |
| B4 | S2 | 150 - 415 | 320 | 1400 1032 |
| B4 | S2 | 150 - 495 | 400 | 1400 1040 |
| B5 | S2 | 203 - 328 | 200 | 1400 1020 |
| B5 | S2 | 203 - 448 | 320 | 1400 1032 |
| B5 | S2 | 203 - 525 | 400 | 1400 1040 |
| B6 | S4 | 220 - 343 | 200 | 1401 1520 |
| B6 | S4 | 220 - 463 | 320 | 1401 1532 |
| B6 | S4 | 220 - 543 | 400 | 1401 1540 |
| B7 | S4 | 305 - 366 | 200 | 1401 1520 |
| B7 | S4 | 305 - 485 | 320 | 1401 1532 |
| B7 | S4 | 305 - 564 | 400 | 1401 1540 |
| B4DS | S2 | 305 - 363 | 200 | 1400 1020 |
| B4DS | S2 | 305 - 485 | 320 | 1400 1032 |
| B4DS | S2 | 305 - 561 | 400 | 1400 1040 |
| B5DS | S4 | 406 - 467 | 200 | 1401 1520 |
| B5DS | S4 | 406 - 589 | 320 | 1401 1532 |
| B5DS | S4 | 406 - 668 | 400 | 1401 1540 |
| B6DS | V1 | 508 - 714 | 320 | 4199 3018 |
| B6DS | V1 | 508 - 795 | 400 | 4199 3019 |
| B7DS | V1 | 508 - 714 | 320 | 4199 3018 |
| B7DS | V1 | 508 - 795 | 400 | 4199 3019 |
| B8 | V1 | 415 ... 690 | 320 | 2799 3018 |
| B8 | V1 | 415 ... 820 | 450 | 2799 3019 |



Направляющая штанги для управления с помощью выносной ручки
Использование
Направляет удлинительную штангу в выносную ручку.
Данный аксессуар позволяет обеспечивать крепление ручки на удлиненной штанге с отклонением по оси до 15 мм.
Требуется для штанги длиной свыше 320 мм.
| Описание | Код изделия |
| Направляющая штанги | 1429 0000 |

Переходник ручки типа S
Использование
Позволяет устанавливать ручки типа S вместо существующих ручек Socomec старого типа. Переходник также можно использовать в качестве проставки для увеличения расстояния между дверью панели и рычагом ручки.
Габаритные размеры
Добавляет 12 мм к глубине ручки.
| Цвет ручки | Степень защиты, IP(1) | Заказывать в количестве, кратном | Код изделия |
| Черная | IP65 | 1 | 1493 0000 |
(1) IP: степень защиты согласно стандарту IEC 60529.

Альтернативные цвета покрытия ручки типа S
Использование
Для одинарных ручек типа S1, S2, S3.
Прочие цвета: Проконсультируйтесь с нами.
| Цвет ручки | Тип ручки | Заказывать в количестве, кратном | Код изделия |
| Светло-серый | S1, S2, S3 | 50 | 1401 0001 |
| Темно-серый | S1, S2, S3 | 50 | 1401 0011 |
| Светло-серый | S4 | 50 | 1401 0031 |
| Темно-серый | S4 | 50 | 1401 0041 |

Дополнительный контакт
Использование
Предварительное размыкание и индикация положений 0 и I:
- от 1 до 2 дополнительных контактов НO/НЗ,
- от 1 до 4 дополнительных контактов НО + НЗ,
- от 1 до 4 дополнительных контактов НО/НЗ низкого уровня.
Характеристики
НO/НЗ пер. тока: IP2 с управлением спереди.
Подключение к цепи управления
Посредством фастонной клеммы 6,35 мм.
Электрические характеристики
30 000 операций.
НО/НЗ дополнительные контакты
| Размер корпуса | Положение | Тип | Код изделия |
| B4 … B8 | 1-ый контакт | НО/НЗ | 2699 0031 |
| B4 … B8 | 2-ой контакт | НО/НЗ | 2699 0032 |
| B4DS … B7DS | 1-ый контакт | НО/НЗ | 2699 0061 |
| B4DS … B7DS | 2-ой контакт | НО/НЗ | 2699 0062 |
Дополнительные НO/НЗ контакты низкого уровня
| Размер корпуса | Положение | Тип | Код изделия |
| B4 … B7 | 1-ый контакт | НО/НЗ | 2699 0301 |
| B4 … B7 | 2-ой контакт | НО/НЗ | 2699 0302 |
НO+НЗ контакт
| Размер корпуса | Положение | Тип | Код изделия |
| B4 … B7 | 1-ый контакт | НO + НЗ | 2699 0061 |
| B4 … B7 | 2-ой контакт | НO + НЗ | 2699 0062 |

Клеммный экран
Использование
Защита сверху и снизу от прямого контакта с клеммами или соединительными частями.
| Размер корпуса | Кол-во полюсов | Положение | Упаковка | Код изделия |
| B4 | 2 пол. | Верхнее или нижнее | 1 блок | 2698 3020 |
| B4 | 4 пол. | Верхнее или нижнее | 1 блок | 2698 4020 |
| B5 | 3 пол. | Верхнее или нижнее | 1 блок | 2698 3050 |
| B5 | 4 пол. | Верхнее или нижнее | 1 блок | 2698 4050 |
| B6 | 4 пол. | Верхнее или нижнее | 1 блок | 2698 4080 |
| B7 | 4 пол. | Верхнее или нижнее | 1 блок | 2698 4120 |
| B8 | 4 пол. | Верхнее или нижнее | 1 блок | 2698 4200 |
| B4DS | 2 пол. | Верхнее или нижнее | 1 блок | 1509 3025 |
| B5DS | 6 пол. | Вверху и внизу | 2 блока | 1509 3063 |
| B5DS | 8 пол. | Вверху и внизу | 2 блока | 1509 4063 |
| B6DS | 8 пол. | Вверху и внизу | 2 блока | 1509 4080 |
| B7DS | 8 пол. | Вверху и внизу | 2 блока | 2698 4199 |

Межфазная перегородка
Использование
Безопасное изолирование между клеммами.
| Размер корпуса | Кол-во полюсов | Код изделия |
| B4 | 3 пол. | 2998 0023 |
| B4 | 4 пол. | 2998 0024 |
| B5 | 3 пол. | 2998 0013 |
| B5 | 4 пол. | 2998 0014 |
| B6 … B9 | 3 пол. | включено |
| B6 … B9 | 4 пол. | включено |
Соединительные шины для последовательного соединения полюсов
Использование
Соединительные шины облегчают последовательное подключение полюсов, что позволяет применять следующие конфигурации(1).
(1) Прочие подключения: см. указания по монтажу.
1000 В DC
| Размер корпуса | Ток (A) | Количество, которое необходимо заказать, чтобы соединить 2 полюса последовательно | Рис. | Код изделия |
| 1 фотоэлектрический контур | ||||
| B4 | 100 | -(1) | - | -(1) |
| B4 | 160 | -(1) | - | -(1) |
| B4 | 250 | -(1) | - | -(1) |
| B4 | 315 | -(1) | - | -(1) |
| B4 | 400 | 2 | 1 | 2609 0025 |
| B4 | 500 | 2 | 1 | 2609 0025 |
| B5 | 630 | 1 | 2 | 2609 0080 |
| B5 | 800 | 1 | 2 | 2609 0080 |
| B6 | 1250 | 1 | 3 | 2609 1100 |
| B7 | 2000 | 1 | 3 | 2609 1200 |
| B8 | 3200 | Свяжитесь с нами | ||
| 2 фотоэлектрических контура | ||||
| B4DS | 100 | -(1) | - | -(1) |
| B4DS | 160 | -(1) | - | -(1) |
| B4DS | 250 | -(1) | - | -(1) |
| B4DS | 315 | -(1) | - | -(1) |
| B5 | 400 | 1 | 4 | 2709 0045 |
| B5 | 500 | 1 | 4 | 2709 0045 |
| B5DS | 630 | 1 | 2 | 2609 0080 |
| B6DS | 800 | 1 | 3 | 2609 1100 |
| B6DS | 1250 | 1 | 3 | 2609 1100 |
| B7DS | 2000 | 1 | 3 | 2609 1200 |
| 4 фотоэлектрических контура | ||||
| B5DS | 500 | 1 | 4 | 2709 0045 |
1500 В DC
| Размер корпуса | Ток (A) | Количество, которое необходимо заказать, чтобы соединить 2 полюса последовательно | Рис. | Код изделия |
| 1 фотоэлектрический контур | ||||
| B5 | 275 | 1 | 5 | 2709 0027 |
| B5 | 315 | 1 | 5 | 2709 0027 |
| B5 | 400 | 1 | 4 | 2709 0045 |
| B5 | 500 | 1 | 4 | 2709 0045 |
| B5DS | 630 | 1 | 2 | 2609 0080 |
| B6DS | 800 | 1 | 3 | 2609 1100 |
| B6DS | 1250 | 1 | 3 | 2609 1100 |
| B7DS | 2000 | 1 | 3 | 2609 1200 |
| 2 фотоэлектрических контура | ||||
| B5DS | 275 | 1 | 5 | 2709 0027 |
| B5DS | 400 | 1 | 4 | 2709 0045 |
| B5DS | 500 | 1 | 4 | 2709 0045 |
(1) Соединительные шины не требуются.

Рис. 1

Рис. 2

Рис. 3

Рис. 4

Рис. 5
Характеристики
Характеристики в соответствии с IEC 60947-3
| Номинальный ток In | 100 A | 160 A | ||||||||
| Тепловой ток при 40 °C (A) | 100 | 160 | ||||||||
| Тепловой ток при 50 °C (A) | 100 | 160 | ||||||||
| Тепловой ток при 60 °C (A) | 100 | 160 | ||||||||
| Номинальное напряжение изоляции Ui (В) | 1500 | 1500 | ||||||||
| Номинальное импульсное выдерживаемое напряжение Uimp (кВ) | 12 | 12 | ||||||||
| Количество цепей | Номинальное напряжение | Категория применения | Ie (A) | Количество последовательных полюсов на контур | Количество полюсов устройства | Размер корпуса | Ie (A) | Количество последовательных полюсов на контур | Количество полюсов устройства | Размер корпуса |
| 1 цепь | 1000 В DC | DC-21 B | 100 | 1 П +; 1 П | 2 пол. | B4 | 160 | 1 П +; 1 П | 2 пол. | B4 |
| 1 цепь | 1500 В DC | DC-21 B | 100 | 3 П +; 1 П - | 4 пол. | B4DS | 160 | 3 П +; 1 П | 4 пол. | B4DS |
| 2 контура | 1000 В DC | DC-21 B | 100 | 1 П +; 1 П | 4 пол. | B4DS | 160 | 1 П +; 1 П | 4 пол. | B4DS |
| Мощность короткого замыкания (без защиты) | ||||||||||
| Номинальный кратковременно допустимый ток 0,3 с (кА эфф.) | 10 | 10 | ||||||||
| Номинальный кратковременно допустимый ток 1 с (кА эфф.) | 5 | 5 | ||||||||
| Соединение | ||||||||||
| Максимальное сечение жесткого медного кабеля (мм²) | 35 | 70 | ||||||||
| Максимальная ширина медной шины (мм) | 32 | 32 | ||||||||
| Момент затяжки мин. (Нм) | 20 | 20 | ||||||||
| Момент затяжки макс. (Нм) | 26 | 26 | ||||||||
| Механические характеристики | ||||||||||
| Срок службы (число рабочих циклов) | 10 000 | 10 000 | ||||||||
| Рабочее усилие (Нм) | 10 | 10 | ||||||||
| Вес 2-пол. устройства (кг) | 1,8 | 1,8 | ||||||||
| Вес 4-пол. устройства (кг) | 4,3 | 4,3 | ||||||||
| Номинальный ток In | 250 A | 275 A | ||||||||
| Тепловой ток при 40 °C (A) | 250 | 275 | ||||||||
| Тепловой ток при 50 °C (A) | 250 | 275 | ||||||||
| Тепловой ток при 60 °C (A) | 250 | 275 | ||||||||
| Номинальное напряжение изоляции Ui (В) | 1500 | 1500 | ||||||||
| Номинальное импульсное выдерживаемое напряжение Uimp (кВ) | 12 | 12 | ||||||||
| Количество цепей | Номинальное напряжение | Категория применения | Ie (A) | Количество последовательных полюсов на контур | Количество полюсов устройства | Размер корпуса | Ie (A) | Количество последовательных полюсов на контур | Количество полюсов устройства | Размер корпуса |
| 1 цепь | 1000 В DC | DC-21 B | 250 | 1 П +; 1 П | 2 пол. | B4 | 275 | 1 П +; 1 П - | 3 пол. | B5 |
| 1 цепь | 1500 В DC | DC-21 B | 250 | 3 П +; 1 П | 4 пол. | B4DS | 275 | 2 П +; 1 П - | 3 пол. | B5 |
| 2 контура | 1000 В DC | DC-21 B | 250 | 1 П +; 1 П - | 4 пол. | B4DS | 275 | 1 П +; 1 П - | 6 пол. | B5DS |
| 2 контура | 1500 В DC | DC-21 B | - | - | - | - | 275 | 2 П +; 1 П - | 6 пол. | B5DS |
| 4 контура | 1000 В DC | DC-21 B | - | - | - | - | 275 | 1 П +; 1 П - | 8 пол. | B5DS |
| Мощность короткого замыкания (без защиты) | ||||||||||
| Номинальный кратковременно допустимый ток 0,3 с (кА эфф.) | 10 | 10 | ||||||||
| Номинальный кратковременно допустимый ток 1 с (кА эфф.) | 5 | 5 | ||||||||
| Соединение | ||||||||||
| Максимальное сечение жесткого медного кабеля (мм²) | 120 | 185 | ||||||||
| Максимальная ширина медной шины (мм) | 32 | 32 | ||||||||
| Момент затяжки мин. (Нм) | 20 | 20 | ||||||||
| Момент затяжки макс. (Нм) | 26 | 26 | ||||||||
| Механические характеристики | ||||||||||
| Срок службы (число рабочих циклов) | 10 000 | 10 000 | ||||||||
| Рабочее усилие (Нм) | 10 | 10 | ||||||||
| Вес 2-пол. устройства (кг) | 1,8 | - | ||||||||
| Вес 3-пол. устройства (кг) | - | 6 | ||||||||
| Вес 4-пол. устройства (кг) | 4,3 | - | ||||||||
| Вес 6-пол. устройства (кг) | - | 12,3 | ||||||||
| Вес 8-пол. устройства (кг) | - | 15 | ||||||||
| Номинальный ток In | 315 A | 400 A | ||||||||
| Тепловой ток при 40 °C (A) | 315 | 400 | ||||||||
| Тепловой ток при 50 °C (A) | 315 | 400 | ||||||||
| Тепловой ток при 60 °C (A) | 315 | 400 | ||||||||
| Номинальное напряжение изоляции Ui (В) | 1500 | 1500 | ||||||||
| Номинальное импульсное выдерживаемое напряжение Uimp (кВ) | 12 | 12 | ||||||||
| Количество цепей | Номинальное напряжение | Категория применения | Ie (A) | Количество последовательных полюсов на контур | Количество полюсов устройства | Размер корпуса | Ie (A) | Количество последовательных полюсов на контур | Количество полюсов устройства | Размер корпуса |
| 1 цепь | 1000 В DC | DC-21 B | 315 | 1 П +; 1 П - | 2 пол. | B4 | 400 | 2 П +; 2 П - | 4 пол. | B4 |
| 1 цепь | 1500 В DC | DC-21 B | 315 | 2 П +; 1 П - | 3 пол. | B5 | 400 | 2 П +; 1 П - | 3 пол. | B5 |
| 2 контура | 1000 В DC | DC-21 B | 315 | 1 П +; 1 П - | 4 пол. | B4DS | 400 | 1 П +; 1 П - | 4 пол. | B5 |
| 2 контура | 1500 В DC | DC-21 B | - | - | - | - | 400 | 2 П +; 1 П - | 6 пол. | B5DS |
| 4 контура | 1000 В DC | DC-21 B | - | - | - | - | 400 | 1 П +; 1 П - | 8 пол. | B5DS |
| Мощность короткого замыкания (без защиты) | ||||||||||
| Номинальный кратковременно допустимый ток 0,3 с (кА эфф.) | 10 | - | ||||||||
| Номинальный кратковременно допустимый ток 1 с (кА эфф.) | 5 | 10 | ||||||||
| Соединение | ||||||||||
| Максимальное сечение жесткого медного кабеля (мм²) | 185 | 240 | ||||||||
| Максимальная ширина медной шины (мм) | 32 | 32 | ||||||||
| Момент затяжки мин. (Нм) | 20 | 20 | ||||||||
| Момент затяжки макс. (Нм) | 26 | 26 | ||||||||
| Механические характеристики | ||||||||||
| Срок службы (число рабочих циклов) | 10 000 | 5 000 | ||||||||
| Рабочее усилие (Нм) | 10 | 10 | ||||||||
| Вес 2-пол. устройства (кг) | 1,8 | - | ||||||||
| Вес 3-пол. устройства (кг) | 6 | 6 (B4) / 3,8 (B5) | ||||||||
| Вес 4-пол. устройства (кг) | 4,3 | 2,3 | ||||||||
| Вес 6-пол. устройства (кг) | - | 12,3 | ||||||||
| Вес 8-пол. устройства (кг) | - | 15 | ||||||||
(1) Для номинального рабочего напряжения Ue = 400 В пер. тока
| Номинальный ток In | 500 A | 630 A | ||||||||
| Тепловой ток при 40 °C (A) | 500 | 630 | ||||||||
| Тепловой ток при 50 °C (A) | 500 | 630 | ||||||||
| Тепловой ток при 60 °C (A) | B4: 475 / B5: 500 | 560 | ||||||||
| Номинальное напряжение изоляции Ui (В) | 1500 | 1500 | ||||||||
| Номинальное импульсное выдерживаемое напряжение Uimp (кВ) | 12 | 12 | ||||||||
| Количество цепей | Номинальное напряжение | Категория применения | Ie (A) | Количество последовательных полюсов на контур | Количество полюсов устройства | Размер корпуса | Ie (A) | Количество последовательных полюсов на контур | Количество полюсов устройства | Размер корпуса |
| 1 цепь | 1000 В DC | DC-21 B | 500 | 2 П +; 2 П - | 4 пол. | B5 | 630 | 2 П +; 2 П - | 4 пол. | B5 |
| 1 цепь | 1500 В DC | DC-21 B | 500 | 2 П +; 1 П - | 3 пол. | B5 | 630 | 4 П +; 4 П - | 8 пол. | B5DS |
| 2 контура | 1000 В DC | DC-21 B | 500 | 1 П +; 1 П - | 4 пол. | B5 | 630 | 2 П +; 2 П - | 8 пол. | B5DS |
| 2 контура | 1500 В DC | DC-21 B | 500 | 2 П +; 1 П - | 6 пол. | B5DS | - | - | - | - |
| 4 контура | 1000 В DC | DC-21 B | 500 | 1 П +; 1 П - | 8 пол. | B5DS | - | - | - | - |
| Мощность короткого замыкания (без защиты) | ||||||||||
| Номинальный кратковременно допустимый ток 1 с (кА эфф.) | 10 | 10 | ||||||||
| Соединение | ||||||||||
| Максимальное сечение жесткого медного кабеля (мм²) | 2x150 | 2x185 | ||||||||
| Максимальная ширина медной шины (мм) | 32 | 40 | ||||||||
| Момент затяжки мин. (Нм) | 20 | 40 | ||||||||
| Момент затяжки макс. (Нм) | 26 | 40 | ||||||||
| Механические характеристики | ||||||||||
| Срок службы (число рабочих циклов) | 5 000 | 5 000 | ||||||||
| Рабочее усилие (Нм) | 10 | 14,5 | ||||||||
| Вес 3-пол. устройства (кг) | 6 (B4) / 3,8 (B5) | - | ||||||||
| Вес 4-пол. устройства (кг) | 2,3 | 3,8 | ||||||||
| Вес 6-пол. устройства (кг) | 12,3 | - | ||||||||
| Вес 8-пол. устройства (кг) | 15 | 15 | ||||||||
(1) Для номинального рабочего напряжения Ue = 400 В пер. тока
| Номинальный ток In | 800 A | 1250 A | ||||||||
| Тепловой ток при 40 °C (A) | 800 | 1250 | ||||||||
| Тепловой ток при 50 °C (A) | 800 | 1250 | ||||||||
| Тепловой ток при 60 °C (A) | B5: 650 / B6: 800 | 1125 | ||||||||
| Номинальное напряжение изоляции Ui (В) | 1500 | 1500 | ||||||||
| Номинальное импульсное выдерживаемое напряжение Uimp (кВ) | 12 | 12 | ||||||||
| Количество цепей | Номинальное напряжение | Категория применения | Ie (A) | Количество последовательных полюсов на контур | Количество полюсов устройства | Размер корпуса | Ie (A) | Количество последовательных полюсов на контур | Количество полюсов устройства | Размер корпуса |
| 1 цепь | 1000 В DC | DC-21 B | 800 | 2 П +; 2 П - | 4 пол. | B5 | 1250 A | 2 П +; 2 П - | 4 пол. | B6 |
| 1 цепь | 1500 В DC | DC-21 B | 800 | 4 П +; 4 П - | 8 пол. | B6DS | 1250 A | 4 П +; 4 П - | 8 пол. | B6DS |
| 2 контура | 1000 В DC | DC-21 B | 800 | 2 П +; 2 П - | 8 пол. | B6DS | 1250 A | 2 П +; 2 П - | 8 пол. | B6DS |
| Мощность короткого замыкания (без защиты) | ||||||||||
| Номинальный кратковременно допустимый ток 1 с (кА эфф.) | 10 | 10 | ||||||||
| Соединение | ||||||||||
| Максимальное сечение жесткого медного кабеля (мм²) | 2x240 | 2x240 | ||||||||
| Максимальная ширина медной шины (мм) | 50 | 63 | ||||||||
| Момент затяжки мин. (Нм) | 40 | 40 | ||||||||
| Момент затяжки макс. (Нм) | 45 | 45 | ||||||||
| Механические характеристики | ||||||||||
| Срок службы (число рабочих циклов) | 5 000 | 4 000 | ||||||||
| Рабочее усилие (Нм) | 14,5 | 37 | ||||||||
| Вес 4-пол. устройства (кг) | 3,8 | 3,8 | ||||||||
| Вес 8-пол. устройства (кг) | 15 | 15 | ||||||||
| Номинальный ток In | 2000 A | 3200 A | ||||||||
| Тепловой ток при 40 °C (A) | 2000 | 3200 | ||||||||
| Тепловой ток при 50 °C (A) | 1850 | 3200 | ||||||||
| Тепловой ток при 60 °C (A) | 1600 | 2700 | ||||||||
| Номинальное напряжение изоляции Ui (В) | 1500 | |||||||||
| Номинальное импульсное выдерживаемое напряжение Uimp (кВ) | 12 | |||||||||
| Количество цепей | Номинальное напряжение | Категория применения | Ie (A) | Количество последовательных полюсов на контур | Количество полюсов устройства | Размер корпуса | Ie (A) | Количество последовательных полюсов на контур | Количество полюсов устройства | Размер корпуса |
| 1 цепь | 1000 В DC | DC-21 B | 2000 A | 2 П +; 2 П - | 4 пол. | B7 | 3200 A | 2 П +; 2 П - | 4 пол. | B8 |
| 1 цепь | 1500 В DC | DC-21 B | 2000 A | 4 П +; 4 П - | 8 пол. | B7DS | - | - | - | - |
| 2 контура | 1000 В DC | DC-21 B | 2000 A | 2 П +; 2 П - | 8 пол. | B7DS | - | - | - | - |
| Мощность короткого замыкания (без защиты) | ||||||||||
| Номинальный кратковременно допустимый ток 1 с (кА эфф.) | 10 | 10 | ||||||||
| Соединение | ||||||||||
| Максимальная ширина медной шины (мм) | 100 | 4 x 100 x 5 | ||||||||
| Момент затяжки мин. (Нм) | 40 | 40 | ||||||||
| Момент затяжки макс. (Нм) | 45 | 45 | ||||||||
| Механические характеристики | ||||||||||
| Срок службы (число рабочих циклов) | 4000 | 2000 | ||||||||
| Рабочее усилие (Нм) | 56 | 75 | ||||||||
| Вес 4-пол. устройства (кг) | 22 | 25 | ||||||||
| Вес 8-пол. устройства (кг) | 50 | - | ||||||||
Последовательное соединение полюсов
1 фотоэлектрический контур - 1000 В DC
B4 - 2P

B4-B8 - 4P

1 фотоэлектрический контур - 1500 В DC
B5 - 3P

B5DS-B7DS - 8P

2 фотоэлектрических контура - 1000 В DC
B4DS - 4P

B5 - 4P

B5DS-B7DS - 8P

2 фотоэлектрических контура - 1500 В DC
B5DS - 6P

4 фотоэлектрических контура - 1000 В DC
B5DS - 8P

A. Передний выключатель.
B. Задний выключатель.
1. Технологическое оборудование 1
2. Технологическое оборудование 2
3. Технологическое оборудование 3
4. Технологическое оборудование 4
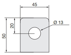
Габаритные размеры (мм)
B4 - B5

B4
B5
1. 400 и 500 A приемлемо.
| Размер корпуса | Кол-во полюсов | А | B | C | В | J | J1 | J2 | J3 | K | K1 | K2 | Y |
| B4 | 2 пол. | 180 | 160 | 95 | 132,5 | 160 | 55 | - | 100 | 135 | 48 | 80 | 38,5 |
| B4 | 4 пол. | 230 | 170 | 79 | 132,5 | 210 | 105 | 50 | - | - | - | 80 | 22,5 |
| B5 | 2 пол. | 230 | 260 | 128 | 203 | 210 | 75 | - | 130 | 195 | 67,5 | 80 | 53 |
| B5 | 3 пол. | 230 | 260 | 126,5 | 203 | 210 | 75 | 65 | - | 195 | 67,5 | 80 | 51,5 |
| B5 | 4 пол. | 290 | 260 | 126,5 | 203 | 270 | 135 | 65 | - | 195 | 67,5 | 80 | 51,5 |
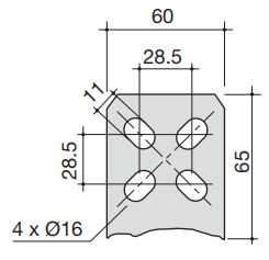
B4DS - B5DS

B4DS
B5DS

| Размер корпуса | Кол-во полюсов | А | B | C | В | H1 | J | J1 | J2 | J3 | K | K1 | Y | Y1 |
| B4DS | 4 пол. | 244 | 160 | 162 | 129 | 176 | 160 | 35 | - | 100 | 135 | 67,5 | 38,5 | 132,5 |
| B5DS | 6 пол. | 301 | 260 | 238,5 | 203 | 165,5 | 210 | 35 | 65 | - | 195 | 68,5 | 51,5 | 189 |
| B5DS | 8 пол. | 361 | 260 | 238,5 | 203 | 165,5 | 270 | 35 | 65 | - | 195 | 68,5 | 51,5 | 189 |
B6


| Размер корпуса | Кол-во полюсов | А | B | C | В | H1 | J | J1 | K | K1 | K2 | Y |
| B6 | 4 пол. | 630 | 340 | 139 | 270 | 145 | 335 | 167,5 | 175 | 59,5 | 28 | 46,5 |
B6DS


| Размер корпуса | Кол-во полюсов | А | B | C | В | H1 | J | J1 | K | K1 | Y | Y1 |
| B6ds | 8 пол. | 466 | 340 | 370 | 270 | 347 | 335 | 51,5 | 250 | 125 | 66,5 | 253,5 |
B7

| Размер корпуса | Кол-во полюсов | А | B | C | В | H1 | H2 | J | J1 | K | K1 | K2 | Y |
| B7 | 4 пол. | 513 | 288 | 200 | 302 | 211 | 203,5 | 467 | 233,5 | 250 | 97 | 28 | 107,5 |
B7DS

| Размер корпуса | Кол-во полюсов | А | B | C | В | H1 | J | J1 | K | K1 | Y | Y1 |
| B7DS | 8 пол. | 608,5 | 288 | 333 | 301 | 389 | 467 | 51,5 | 250 | 125 | 107,5 | 293,5 |
Размеры SIRCO PV 3200A - 1000 В DC - B8, проконсультируйтесь с нами.
Размеры для ручек выносного управления (мм)
B4 - B4DS - B5
| Тип рукоятки | Прямое фронтальное управление | Высверливание двери |
| Направление поворота | ||
| Тип S2
poign_013_a_1_gb_cat
![]() |
![]() |
![]() |
B5DS - B6 - B7
| Тип рукоятки | Прямое фронтальное управление | Высверливание двери |
| Направление поворота | ||
| Тип S4
poign_036_a_1_gb_cat
![]() |
![]() |
![]() |
B8 - B6DS - B7DS
| Тип рукоятки | Прямое фронтальное управление | Высверливание двери |
| Направление поворота | ||
| Тип V1
poign_037_a_1_gb_cat
![]() |
![]() |
![]() |
Соединительные шины (мм)
B4
2609 0025

B5 - B5DS
2709 0045

B5
2609 0080

2709 0027

B6
2609 1100

B7
2609 1200

Направление монтажа
Все корпусы

B4DS - B5DS

B6DS - B7DS






















